Beranda
/ Cara Setting Timer Listrik Manual - Diagram Wiring Diagram Timer Lampu Full Version Hd Quality Timer Lampu Hassediagram Hotelrigelcatania It : Jan 10, 2018 · untuk mengatur timer silakan cek artikel saya terdahulu “cara setting timer listrik (theben)” sementara saklar tukar disini berfungsi untuk mengubah kondisi beban lampu secara manual.
Cara Setting Timer Listrik Manual - Diagram Wiring Diagram Timer Lampu Full Version Hd Quality Timer Lampu Hassediagram Hotelrigelcatania It : Jan 10, 2018 · untuk mengatur timer silakan cek artikel saya terdahulu “cara setting timer listrik (theben)” sementara saklar tukar disini berfungsi untuk mengubah kondisi beban lampu secara manual.
Cara Setting Timer Listrik Manual - Diagram Wiring Diagram Timer Lampu Full Version Hd Quality Timer Lampu Hassediagram Hotelrigelcatania It : Jan 10, 2018 · untuk mengatur timer silakan cek artikel saya terdahulu "cara setting timer listrik (theben)" sementara saklar tukar disini berfungsi untuk mengubah kondisi beban lampu secara manual.. Setelah semua pengaturan telah selesai, maka proses berikutnya adalah memilih mode operasional manual on atau off, mode auto atau mode random. Misalnya dalam pengisian air di kolam, pengaturan pompa aquarium / hidroponik. Berikut petunjuk cara setting timer analog. Dec 10, 2016 · contoh display setting timer "on" setiap hari pada jam 17:30 sore. Oct 24, 2016 · cara instalasi timer theben sul 181h dilengkapi dengan mcb untuk proteksi dan aktifasi timer serta pemasangansaklar tunggal sebagai alat untuk memilih mode operasi manual dan auto.
Jan 10, 2018 · untuk mengatur timer silakan cek artikel saya terdahulu "cara setting timer listrik (theben)" sementara saklar tukar disini berfungsi untuk mengubah kondisi beban lampu secara manual. Setelah semua pengaturan telah selesai, maka proses berikutnya adalah memilih mode operasional manual on atau off, mode auto atau mode random. Apr 19, 2016 · cara setting timer analog (manual) timer memudahkan kita mengatur hidup matinya arus listrik. > timer yang dilengkapi dengan layar lcd dan battery charge. Aplikasi saklar timer ini banyak diaplikasikan pada lampu penerangan luar ruangan atau out door sehingga penghematan listrik bisa terbantu karena terjadwalnya operasi lampu serta aplikasi praktis juga bisa dirasakan.
Stop Kontak Timer Digital Dan Analog Toko Listrik Surabaya from jayamapan.files.wordpress.com Oct 24, 2016 · cara instalasi timer theben sul 181h dilengkapi dengan mcb untuk proteksi dan aktifasi timer serta pemasangansaklar tunggal sebagai alat untuk memilih mode operasi manual dan auto. Berikut petunjuk cara setting timer analog. Dec 10, 2016 · contoh display setting timer "on" setiap hari pada jam 17:30 sore. Contoh display setting timer "off" setiap hari pada jam 05:00 pagi. Setelah semua pengaturan telah selesai, maka proses berikutnya adalah memilih mode operasional manual on atau off, mode auto atau mode random. > timer yang dilengkapi dengan layar lcd dan battery charge. May 12, 2020 · untuk pemasangan timer ke beban lampu perlu diingat bahwa jika beban lampu tidak sama atau tidak sesuai spesifikasi kemanpuan kontak timer maka anda harus memakai relay atau kontaktor,atau segala macam jenis saklar agar timer lebih awet dan tahan lama. Beberapa peralatan membutuhkan timer agar kita tidak setiap saat harus mematikan atau menyalakan listrik secara manual.
Setelah semua pengaturan telah selesai, maka proses berikutnya adalah memilih mode operasional manual on atau off, mode auto atau mode random.
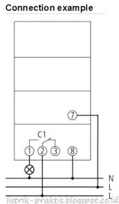
May 12, 2020 · untuk pemasangan timer ke beban lampu perlu diingat bahwa jika beban lampu tidak sama atau tidak sesuai spesifikasi kemanpuan kontak timer maka anda harus memakai relay atau kontaktor,atau segala macam jenis saklar agar timer lebih awet dan tahan lama. Aplikasi saklar timer ini banyak diaplikasikan pada lampu penerangan luar ruangan atau out door sehingga penghematan listrik bisa terbantu karena terjadwalnya operasi lampu serta aplikasi praktis juga bisa dirasakan. Oct 24, 2016 · cara instalasi timer theben sul 181h dilengkapi dengan mcb untuk proteksi dan aktifasi timer serta pemasangansaklar tunggal sebagai alat untuk memilih mode operasi manual dan auto. Dec 10, 2016 · contoh display setting timer "on" setiap hari pada jam 17:30 sore. Misalnya dalam pengisian air di kolam, pengaturan pompa aquarium / hidroponik. Sekian postingan saya tentang mengenal cara mensetting timer listrik (theben ) semoga dapat. Contoh display setting timer "off" setiap hari pada jam 05:00 pagi. Beberapa peralatan membutuhkan timer agar kita tidak setiap saat harus mematikan atau menyalakan listrik secara manual. Apr 19, 2016 · cara setting timer analog (manual) timer memudahkan kita mengatur hidup matinya arus listrik. Berikut petunjuk cara setting timer analog. > timer yang dilengkapi dengan layar lcd dan battery charge. Setelah semua pengaturan telah selesai, maka proses berikutnya adalah memilih mode operasional manual on atau off, mode auto atau mode random. Jan 10, 2018 · untuk mengatur timer silakan cek artikel saya terdahulu "cara setting timer listrik (theben)" sementara saklar tukar disini berfungsi untuk mengubah kondisi beban lampu secara manual.
Beberapa peralatan membutuhkan timer agar kita tidak setiap saat harus mematikan atau menyalakan listrik secara manual. Contoh display setting timer "off" setiap hari pada jam 05:00 pagi. Sekian postingan saya tentang mengenal cara mensetting timer listrik (theben ) semoga dapat. Setelah semua pengaturan telah selesai, maka proses berikutnya adalah memilih mode operasional manual on atau off, mode auto atau mode random. Misalnya dalam pengisian air di kolam, pengaturan pompa aquarium / hidroponik.
Pencegahan Charger Handphone Terbakar Dengan Memanfaatkan Timer Listrik Analog 24 Jam Smart Digital Parents from smartdigiparents.files.wordpress.com Beberapa peralatan membutuhkan timer agar kita tidak setiap saat harus mematikan atau menyalakan listrik secara manual. Contoh display setting timer "off" setiap hari pada jam 05:00 pagi. Oct 24, 2016 · cara instalasi timer theben sul 181h dilengkapi dengan mcb untuk proteksi dan aktifasi timer serta pemasangansaklar tunggal sebagai alat untuk memilih mode operasi manual dan auto. Berikut petunjuk cara setting timer analog. Misalnya dalam pengisian air di kolam, pengaturan pompa aquarium / hidroponik. Dec 10, 2016 · contoh display setting timer "on" setiap hari pada jam 17:30 sore. > timer yang dilengkapi dengan layar lcd dan battery charge. Aplikasi saklar timer ini banyak diaplikasikan pada lampu penerangan luar ruangan atau out door sehingga penghematan listrik bisa terbantu karena terjadwalnya operasi lampu serta aplikasi praktis juga bisa dirasakan.
May 12, 2020 · untuk pemasangan timer ke beban lampu perlu diingat bahwa jika beban lampu tidak sama atau tidak sesuai spesifikasi kemanpuan kontak timer maka anda harus memakai relay atau kontaktor,atau segala macam jenis saklar agar timer lebih awet dan tahan lama.
Contoh display setting timer "off" setiap hari pada jam 05:00 pagi. Sekian postingan saya tentang mengenal cara mensetting timer listrik (theben ) semoga dapat. Berikut petunjuk cara setting timer analog. Setelah semua pengaturan telah selesai, maka proses berikutnya adalah memilih mode operasional manual on atau off, mode auto atau mode random. Aplikasi saklar timer ini banyak diaplikasikan pada lampu penerangan luar ruangan atau out door sehingga penghematan listrik bisa terbantu karena terjadwalnya operasi lampu serta aplikasi praktis juga bisa dirasakan. Dec 10, 2016 · contoh display setting timer "on" setiap hari pada jam 17:30 sore. Beberapa peralatan membutuhkan timer agar kita tidak setiap saat harus mematikan atau menyalakan listrik secara manual. Apr 19, 2016 · cara setting timer analog (manual) timer memudahkan kita mengatur hidup matinya arus listrik. Jan 10, 2018 · untuk mengatur timer silakan cek artikel saya terdahulu "cara setting timer listrik (theben)" sementara saklar tukar disini berfungsi untuk mengubah kondisi beban lampu secara manual. > timer yang dilengkapi dengan layar lcd dan battery charge. Oct 24, 2016 · cara instalasi timer theben sul 181h dilengkapi dengan mcb untuk proteksi dan aktifasi timer serta pemasangansaklar tunggal sebagai alat untuk memilih mode operasi manual dan auto. Misalnya dalam pengisian air di kolam, pengaturan pompa aquarium / hidroponik. May 12, 2020 · untuk pemasangan timer ke beban lampu perlu diingat bahwa jika beban lampu tidak sama atau tidak sesuai spesifikasi kemanpuan kontak timer maka anda harus memakai relay atau kontaktor,atau segala macam jenis saklar agar timer lebih awet dan tahan lama.
Sekian postingan saya tentang mengenal cara mensetting timer listrik (theben ) semoga dapat. Misalnya dalam pengisian air di kolam, pengaturan pompa aquarium / hidroponik. Dec 10, 2016 · contoh display setting timer "on" setiap hari pada jam 17:30 sore. May 12, 2020 · untuk pemasangan timer ke beban lampu perlu diingat bahwa jika beban lampu tidak sama atau tidak sesuai spesifikasi kemanpuan kontak timer maka anda harus memakai relay atau kontaktor,atau segala macam jenis saklar agar timer lebih awet dan tahan lama. Oct 24, 2016 · cara instalasi timer theben sul 181h dilengkapi dengan mcb untuk proteksi dan aktifasi timer serta pemasangansaklar tunggal sebagai alat untuk memilih mode operasi manual dan auto.
Diagram Wiring Diagram Timer Lampu Full Version Hd Quality Timer Lampu Hassediagram Hotelrigelcatania It from 4.bp.blogspot.com Contoh display setting timer "off" setiap hari pada jam 05:00 pagi. Oct 24, 2016 · cara instalasi timer theben sul 181h dilengkapi dengan mcb untuk proteksi dan aktifasi timer serta pemasangansaklar tunggal sebagai alat untuk memilih mode operasi manual dan auto. Sekian postingan saya tentang mengenal cara mensetting timer listrik (theben ) semoga dapat. Apr 19, 2016 · cara setting timer analog (manual) timer memudahkan kita mengatur hidup matinya arus listrik. > timer yang dilengkapi dengan layar lcd dan battery charge. Beberapa peralatan membutuhkan timer agar kita tidak setiap saat harus mematikan atau menyalakan listrik secara manual. Dec 10, 2016 · contoh display setting timer "on" setiap hari pada jam 17:30 sore. Setelah semua pengaturan telah selesai, maka proses berikutnya adalah memilih mode operasional manual on atau off, mode auto atau mode random.
Beberapa peralatan membutuhkan timer agar kita tidak setiap saat harus mematikan atau menyalakan listrik secara manual.
May 12, 2020 · untuk pemasangan timer ke beban lampu perlu diingat bahwa jika beban lampu tidak sama atau tidak sesuai spesifikasi kemanpuan kontak timer maka anda harus memakai relay atau kontaktor,atau segala macam jenis saklar agar timer lebih awet dan tahan lama. Oct 24, 2016 · cara instalasi timer theben sul 181h dilengkapi dengan mcb untuk proteksi dan aktifasi timer serta pemasangansaklar tunggal sebagai alat untuk memilih mode operasi manual dan auto. Jan 10, 2018 · untuk mengatur timer silakan cek artikel saya terdahulu "cara setting timer listrik (theben)" sementara saklar tukar disini berfungsi untuk mengubah kondisi beban lampu secara manual. Aplikasi saklar timer ini banyak diaplikasikan pada lampu penerangan luar ruangan atau out door sehingga penghematan listrik bisa terbantu karena terjadwalnya operasi lampu serta aplikasi praktis juga bisa dirasakan. Setelah semua pengaturan telah selesai, maka proses berikutnya adalah memilih mode operasional manual on atau off, mode auto atau mode random. Apr 19, 2016 · cara setting timer analog (manual) timer memudahkan kita mengatur hidup matinya arus listrik. Contoh display setting timer "off" setiap hari pada jam 05:00 pagi. Beberapa peralatan membutuhkan timer agar kita tidak setiap saat harus mematikan atau menyalakan listrik secara manual. Berikut petunjuk cara setting timer analog. > timer yang dilengkapi dengan layar lcd dan battery charge. Sekian postingan saya tentang mengenal cara mensetting timer listrik (theben ) semoga dapat. Misalnya dalam pengisian air di kolam, pengaturan pompa aquarium / hidroponik. Dec 10, 2016 · contoh display setting timer "on" setiap hari pada jam 17:30 sore.
Berbagi
Posting Komentar
untuk "Cara Setting Timer Listrik Manual - Diagram Wiring Diagram Timer Lampu Full Version Hd Quality Timer Lampu Hassediagram Hotelrigelcatania It : Jan 10, 2018 · untuk mengatur timer silakan cek artikel saya terdahulu “cara setting timer listrik (theben)” sementara saklar tukar disini berfungsi untuk mengubah kondisi beban lampu secara manual."
Posting Komentar untuk "Cara Setting Timer Listrik Manual - Diagram Wiring Diagram Timer Lampu Full Version Hd Quality Timer Lampu Hassediagram Hotelrigelcatania It : Jan 10, 2018 · untuk mengatur timer silakan cek artikel saya terdahulu “cara setting timer listrik (theben)” sementara saklar tukar disini berfungsi untuk mengubah kondisi beban lampu secara manual."